Non ci sono articoli nel tuo carrello
Prodotti
SCHEDA ARTICOLO

6205-Z

CUSCINETTO
Codice: 22193
Disponibilità: disponibile
Disponibilità: 126 disponibile
Marca: SKF
Unità di misura: NR
Quantitativi ammessi: multipli di 1X
Da preventivare

Descrizione

Dimensioni: Foro: 25 mm Diametro: 52 mm Spessore: 15 mm Peso: 0,127 kg


Dettagli

  • EAN-Code : 07316577067791
  • Taric number : 84821090

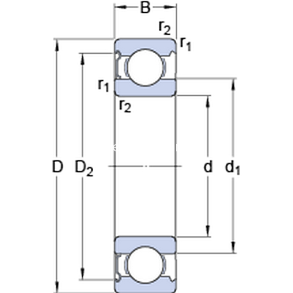
Dimensioni
d 25mm
D 52mm
B 15mm
d134.35mm
D246.21mm
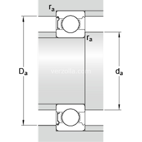
Dimensioni Dello Spallamento
damin.30.6mm
damax.34.3mm
Damax.46.4mm
ramax.1mm
Dati Di Calcolo
Coefficiente di carico dinamicoC 14.8kN
Coefficiente di carico statico di baseC0 7.8kN
Carico limite di faticaPu 0.335kN
Velocità di riferimento  28000r/min
Velocità limite  18000r/min
Fattore di calcolokr 0.025 
Fattore di calcolof0 14 
Massa
Massa cuscinetto  0.13kg