Non ci sono articoli nel tuo carrello
Prodotti
SCHEDA ARTICOLO

6206-2Z/VA201

CUSCINETTO
Codice: M8681
Disponibilità: Non disponibile
Disponibilità: Disponibile
Marca: SKF
Unità di misura: NR
Quantitativi ammessi: multipli di 1X
Da preventivare

Descrizione

Dimensioni: Foro: 30 mm Diametro: 62 mm Spessore: 16 mm Peso: 0,207 kg


Dettagli

  • EAN-Code : 07316577740977
  • Taric number : 84821090

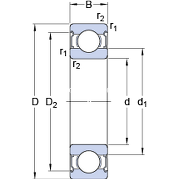
Dimensioni
d 30mm
D 62mm
B 16mm
d140.36mm
D254.06mm
r1,2min.1mm
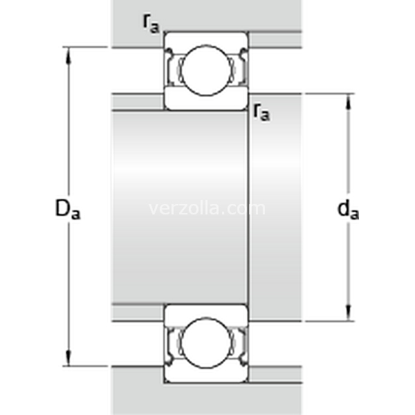
Dimensioni Dello Spallamento
damin.35.6mm
damax.40.3mm
Damax.56.4mm
ramax.1mm
Dati Di Calcolo
Coefficiente di carico dinamicoC 20.3kN
Coefficiente di carico statico di baseC0 11.2kN
Velocità limite  90r/min
Calculation Data
Limiting temperatureTmax.250°C
Massa
Massa cuscinetto  0.21kg