Non ci sono articoli nel tuo carrello
Prodotti
SCHEDA ARTICOLO

6206-2ZNR

CUSCINETTO
Codice: C6618
Disponibilità: disponibile
Disponibilità: 8 disponibile
Marca: SKF
Unità di misura: NR
Quantitativi ammessi: multipli di 1X
Da preventivare

Descrizione

Dimensioni: Foro: 30 mm Diametro: 67,7 mm Spessore: 16 mm Peso: 0,206 kg


Dettagli

  • EAN-Code : 07316571404233
  • Taric number : 84821090

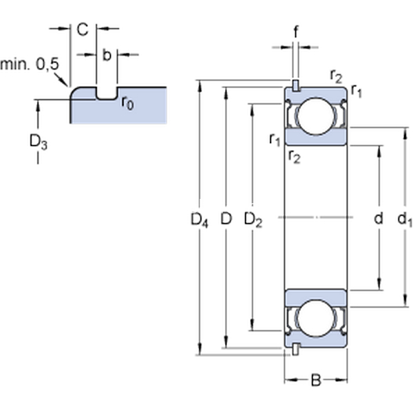
Dimensioni
d 30mm
D 62mm
B 16mm
d140.36mm
D254.06mm
D3 59.61mm
b 1.9mm
C 3.28mm
f 1.7mm
r0max.0.6mm
r1,2min.1mm
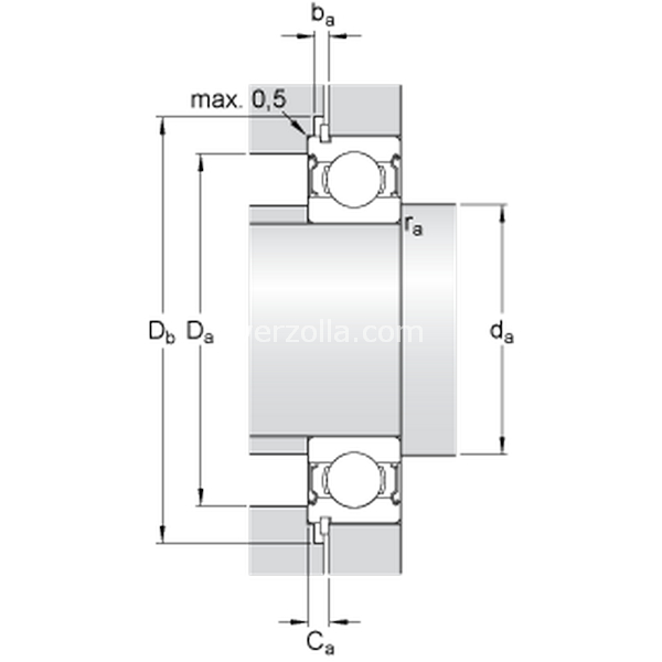
Dimensioni Dello Spallamento
damin.35.6mm
damax.40.3mm
Damax.56.4mm
Dbmin.69mm
bamin.2.2mm
Camax.4.98mm
ramax.1mm
Dati Di Calcolo
Coefficiente di carico dinamicoC 20.3kN
Coefficiente di carico statico di baseC0 11.2kN
Carico limite di faticaPu 0.475kN
Velocità di riferimento  24000r/min
Velocità limite  12000r/min
Fattore di calcolokr 0.025 
Fattore di calcolof0 14 
Massa
Massa cuscinetto  0.21kg
Prodotti Appropriati
Anello di ancoraggio  SP 62