Non ci sono articoli nel tuo carrello
Prodotti
SCHEDA ARTICOLO

6206 ETN9/C3

CUSCINETTO
Codice: 64634
Disponibilità: Non disponibile
Disponibilità: Disponibile
Marca: SKF
Unità di misura: NR
Quantitativi ammessi: multipli di 1X
Da preventivare

Descrizione

Dimensioni: Foro: 30 mm Diametro: 62 mm Spessore: 16 mm Peso: 0,181 kg


Dettagli

  • EAN-Code : 07316571401430
  • Taric number : 84821090

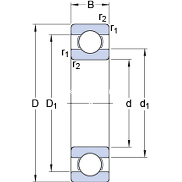
Dimensioni
d 30mm
D 62mm
B 16mm
d139.5mm
D152.9mm
r1,2min.1mm
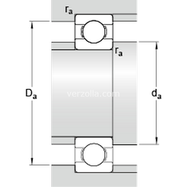
Dimensioni Dello Spallamento
damin.35.6mm
Damax.56.4mm
ramax.1mm
Dati Di Calcolo
Coefficiente di carico dinamicoC 23.4kN
Coefficiente di carico statico di baseC0 12.9kN
Carico limite di faticaPu 0.54kN
Velocità di riferimento  24000r/min
Velocità limite  15000r/min
Fattore di calcolokr 0.025 
Fattore di calcolof0 13 
Massa
Massa cuscinetto  0.18kg