Non ci sono articoli nel tuo carrello
Prodotti
SCHEDA ARTICOLO

6207-2ZNR

CUSCINETTO
Codice: Y5932
Disponibilità: disponibile
Disponibilità: 15 disponibile
Marca: SKF
Unità di misura: NR
Quantitativi ammessi: multipli di 1X
Da preventivare

Descrizione

Dimensioni: Foro: 35 mm Diametro: 78,6 mm Spessore: 17 mm Peso: 0,3 kg


Dettagli

  • EAN-Code : 07316575803278
  • Taric number : 84821090

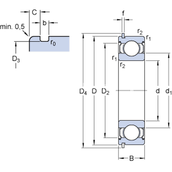
Dimensioni
d 35mm
D 72mm
B 17mm
d146.94mm
D262.69mm
D3 68.81mm
D4 78.6mm
b 1.9mm
C 3.28mm
f 1.7mm
r0max.0.6mm
r1,2min.1.1mm
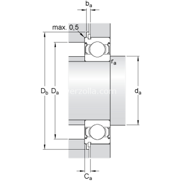
Dimensioni Dello Spallamento
damin.42mm
damax.46.8mm
Damax.65mm
Dbmin.80mm
bamin.2.2mm
Camax.4.98mm
ramax.1mm
Dati Di Calcolo
Coefficiente di carico dinamicoC 27kN
Coefficiente di carico statico di baseC0 15.3kN
Carico limite di faticaPu 0.655kN
Velocità di riferimento  20000r/min
Velocità limite  10000r/min
Fattore di calcolokr 0.025 
Fattore di calcolof0 14 
Massa
Massa cuscinetto  0.31kg
Prodotti Appropriati
Anello di ancoraggio  SP 72