Non ci sono articoli nel tuo carrello
Prodotti
SCHEDA ARTICOLO

6207/C4

CUSCINETTO
Codice: 59502
Disponibilità: Disp. limitata
Disponibilità: 2 disponibile
Marca: SKF
Unità di misura: NR
Quantitativi ammessi: multipli di 1X
Da preventivare

Descrizione

Dimensioni: Foro: 35 mm Diametro: 72 mm Spessore: 17 mm Peso: 0,281 kg


Dettagli

  • EAN-Code : 07316575803551
  • Taric number : 84821090

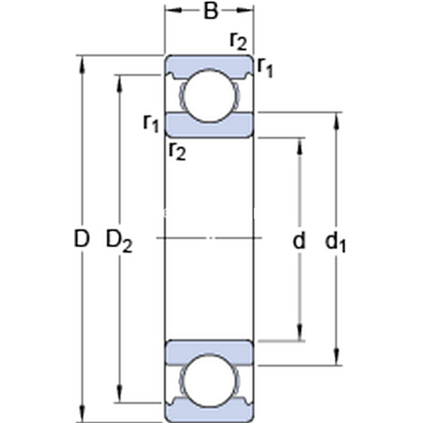
Dimensioni
d 35mm
D 72mm
B 17mm
d146.94mm
D262.69mm
r1,2min.1.1mm
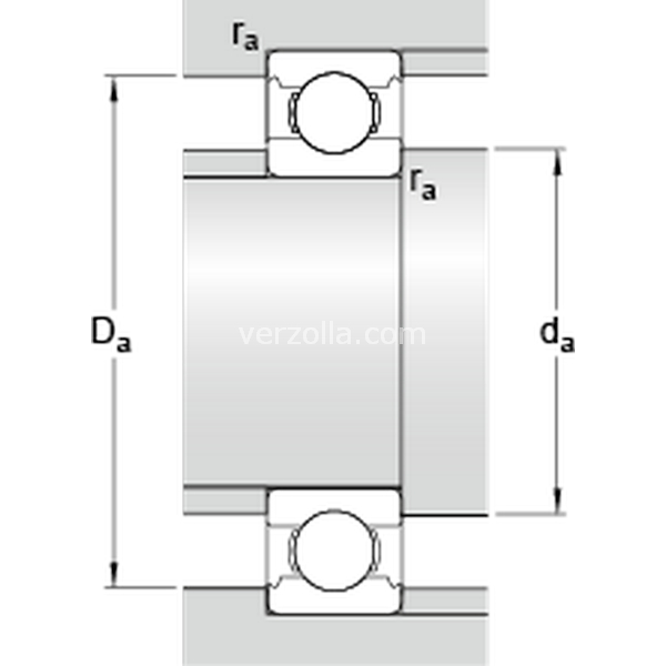
Dimensioni Dello Spallamento
damin.42mm
Damax.65mm
ramax.1mm
Dati Di Calcolo
Coefficiente di carico dinamicoC 27kN
Coefficiente di carico statico di baseC0 15.3kN
Carico limite di faticaPu 0.655kN
Velocità di riferimento  20000r/min
Velocità limite  13000r/min
Fattore di calcolokr 0.025 
Fattore di calcolof0 13.8 
Massa
Massa cuscinetto  0.29kg