Non ci sono articoli nel tuo carrello
Prodotti
SCHEDA ARTICOLO

6208-2Z/VA208

CUSCINETTO
Codice: 56008
Disponibilità: disponibile
Disponibilità: 9 disponibile
Marca: SKF
Unità di misura: NR
Quantitativi ammessi: multipli di 1X
Da preventivare

Descrizione

Dimensioni: Foro: 40 mm Diametro: 80 mm Spessore: 18 mm Peso: 0,3511 kg


Dettagli

  • EAN-Code : 07316570968798
  • Taric number : 84821090

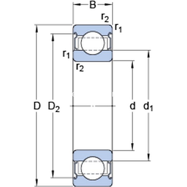
Dimensioni
d 40mm
D 80mm
B 18mm
d152.6mm
D269.8mm
r1,2min.1.1mm
Dimensioni Dello Spallamento
damin.47mm
damax.52.5mm
Damax.73mm
ramax.1mm
Dati Di Calcolo
Coefficiente di carico dinamicoC 32.5kN
Coefficiente di carico statico di baseC0 19kN
Velocità limite  70r/min
Calculation Data
Limiting temperatureTmax.350°C
Massa
Massa cuscinetto  0.38kg