Non ci sono articoli nel tuo carrello
Prodotti
SCHEDA ARTICOLO

6208-2ZNR

CUSCINETTO
Codice: C7900
Disponibilità: Disp. limitata
Disponibilità: 1 disponibile
Marca: SKF
Unità di misura: NR
Quantitativi ammessi: multipli di 1X
Da preventivare

Descrizione

Dimensioni: Foro: 40 mm Diametro: 86,6 mm Spessore: 18 mm Peso: 0,374 kg


Dettagli

  • EAN-Code : 07316570652451
  • Taric number : 84821090

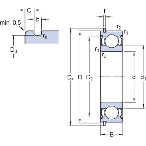
Dimensioni
d 40mm
D 80mm
B 18mm
d152.6mm
D269.8mm
D3 76.81mm
D4 86.6mm
b 1.9mm
C 3.28mm
f 1.7mm
r0max.0.6mm
r1,2min.1.1mm
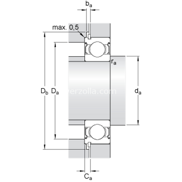
Dimensioni Dello Spallamento
damin.47mm
damax.52.5mm
Damax.73mm
Dbmin.88mm
bamin.2.2mm
Camax.4.98mm
ramax.1mm
Dati Di Calcolo
Coefficiente di carico dinamicoC 32.5kN
Coefficiente di carico statico di baseC0 19kN
Carico limite di faticaPu 0.8kN
Velocità di riferimento  18000r/min
Velocità limite  9000r/min
Fattore di calcolokr 0.025 
Fattore di calcolof0 14 
Massa
Massa cuscinetto  0.39kg
Prodotti Appropriati
Anello di ancoraggio  SP 80