Non ci sono articoli nel tuo carrello
Prodotti
SCHEDA ARTICOLO

6208-Z/C3

CUSCINETTO
Codice: 04747
Disponibilità: disponibile
Disponibilità: 14 disponibile
Marca: SKF
Unità di misura: NR
Quantitativi ammessi: multipli di 1X
Da preventivare

Descrizione

Dimensioni: Foro: 40 mm Diametro: 80 mm Spessore: 18 mm Peso: 0,357 kg


Dettagli

  • EAN-Code : 07316571369105
  • Taric number : 84821090

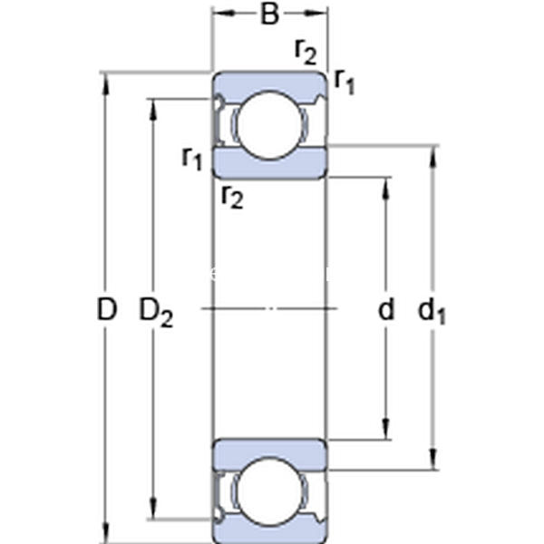
Dimensioni
d 40mm
D 80mm
B 18mm
d152.6mm
D269.8mm
r1,2min.1.1mm
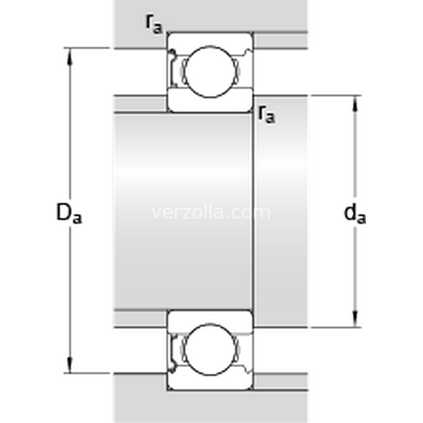
Dimensioni Dello Spallamento
damin.47mm
damax.52.5mm
Damax.73mm
ramax.1mm
Dati Di Calcolo
Coefficiente di carico dinamicoC 32.5kN
Coefficiente di carico statico di baseC0 19kN
Carico limite di faticaPu 0.8kN
Velocità di riferimento  18000r/min
Velocità limite  11000r/min
Fattore di calcolokr 0.025 
Fattore di calcolof0 13.8 
Massa
Massa cuscinetto  0.38kg