Non ci sono articoli nel tuo carrello
Prodotti
SCHEDA ARTICOLO

6209-2RS1/C4

CUSCINETTO
Codice: F6801
Disponibilità: Non disponibile
Disponibilità: Disponibile
Marca: SKF
Unità di misura: NR
Quantitativi ammessi: multipli di 1X
Da preventivare

Descrizione

Dimensioni: Foro: 45 mm Diametro: 85 mm Spessore: 19 mm Peso: 0,418 kg


Dettagli

  • EAN-Code : 07316570908329
  • Taric number : 84821090

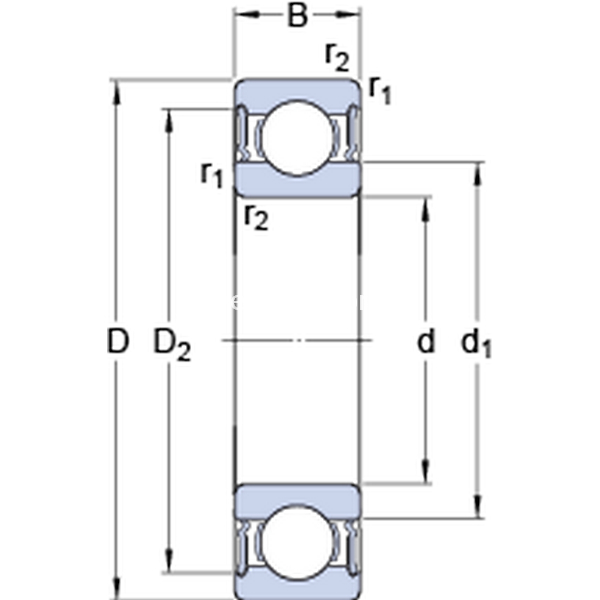
Dimensioni
d 45mm
D 85mm
B 19mm
d157.6mm
D275.19mm
r1,2min.1.1mm
Dimensioni Dello Spallamento
damin.52mm
damax.57.5mm
Damax.78mm
ramax.1mm
Dati Di Calcolo
Coefficiente di carico dinamicoC 35.1kN
Coefficiente di carico statico di baseC0 21.6kN
Carico limite di faticaPu 0.915kN
Velocità limite  5000r/min
Fattore di calcolokr 0.025 
Fattore di calcolof0 14.2 
Massa
Massa cuscinetto  0.42kg