Non ci sono articoli nel tuo carrello
Prodotti
SCHEDA ARTICOLO

6209-2Z/VA208

CUSCINETTO
Codice: L9065
Disponibilità: Non disponibile
Disponibilità: Disponibile
Marca: SKF
Unità di misura: NR
Quantitativi ammessi: multipli di 1X
Da preventivare

Descrizione

Dimensioni: Foro: 45 mm Diametro: 85 mm Spessore: 19 mm Peso: 0,4059 kg


Dettagli

  • EAN-Code : 07316571162782
  • Taric number : 84821090

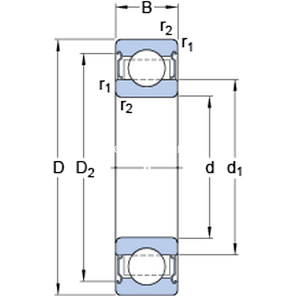
Dimensioni
d 45mm
D 85mm
B 19mm
d157.6mm
D275.19mm
r1,2min.1.1mm
Dimensioni Dello Spallamento
damin.52mm
damax.57.5mm
Damax.78mm
ramax.1mm
Dati Di Calcolo
Coefficiente di carico dinamicoC 35.1kN
Coefficiente di carico statico di baseC0 21.6kN
Velocità limite  60r/min
Calculation Data
Limiting temperatureTmax.350°C
Massa
Massa cuscinetto  0.43kg