Non ci sono articoli nel tuo carrello
Prodotti
SCHEDA ARTICOLO

6210-Z

CUSCINETTO
Codice: 00518
Disponibilità: disponibile
Disponibilità: 27 disponibile
Marca: SKF
Unità di misura: NR
Quantitativi ammessi: multipli di 1X
Da preventivare

Descrizione

Dimensioni: Foro: 50 mm Diametro: 90 mm Spessore: 20 mm Peso: 0,4506 kg


Dettagli

  • EAN-Code : 07316577094094
  • Taric number : 84821090

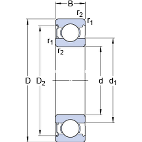
Dimensioni
d 50mm
D 90mm
B 20mm
d162.51mm
D281.61mm
r1,2min.1.1mm
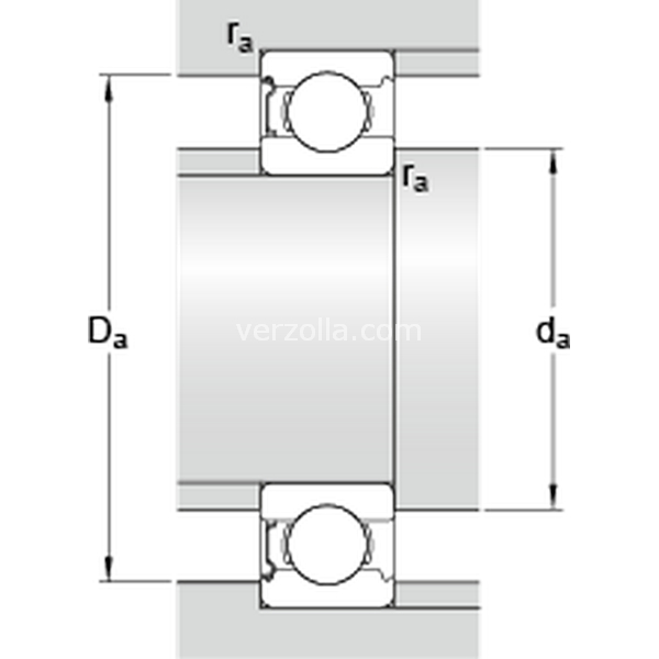
Dimensioni Dello Spallamento
damin.57mm
damax.62.4mm
Damax.83mm
ramax.1mm
Dati Di Calcolo
Coefficiente di carico dinamicoC 37.1kN
Coefficiente di carico statico di baseC0 23.2kN
Carico limite di faticaPu 0.98kN
Velocità di riferimento  15000r/min
Velocità limite  10000r/min
Fattore di calcolokr 0.025 
Fattore di calcolof0 14.4 
Massa
Massa cuscinetto  0.46kg