Non ci sono articoli nel tuo carrello
Prodotti
SCHEDA ARTICOLO

6211-2RS1

CUSCINETTO
Codice: 00520
Disponibilità: disponibile
Disponibilità: 298 disponibile
Marca: SKF
Unità di misura: NR
Quantitativi ammessi: multipli di 1X
€22,06

Descrizione

Dimensioni: Foro: 55 mm Diametro: 100 mm Spessore: 21 mm Peso: 0,6155 kg


Dettagli

  • EAN-Code : 07316570196771
  • Taric number : 84821090

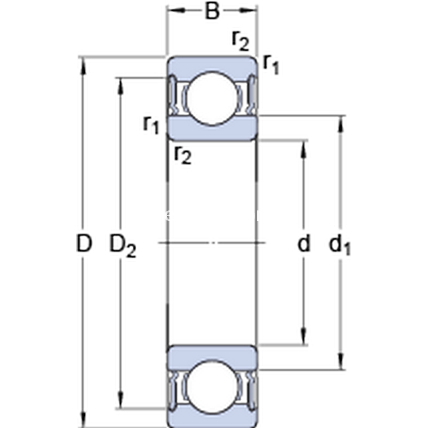
Dimensioni
d 55mm
D 100mm
B 21mm
d169.06mm
D289.4mm
r1,2min.1.5mm
Dimensioni Dello Spallamento
damin.64mm
damax.69mm
Damax.91mm
ramax.1.5mm
Dati Di Calcolo
Coefficiente di carico dinamicoC 46.2kN
Coefficiente di carico statico di baseC0 29kN
Carico limite di faticaPu 1.25kN
Velocità limite  4300r/min
Fattore di calcolokr 0.025 
Fattore di calcolof0 14.3 
Massa
Massa cuscinetto  0.64kg