Non ci sono articoli nel tuo carrello
Prodotti
SCHEDA ARTICOLO

6211-2Z/VA208

CUSCINETTO
Codice: 81835
Disponibilità: Disp. limitata
Disponibilità: 2 disponibile
Marca: SKF
Unità di misura: NR
Quantitativi ammessi: multipli di 1X
Da preventivare

Descrizione

Dimensioni: Foro: 55 mm Diametro: 100 mm Spessore: 21 mm Peso: 0,587 kg


Dettagli

  • EAN-Code : 07316570072679
  • Taric number : 84821090

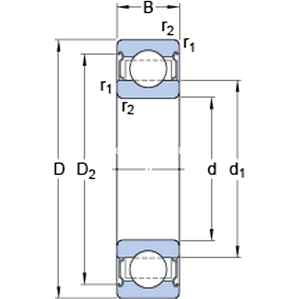
Dimensioni
d 55mm
D 100mm
B 21mm
d169.06mm
D289.4mm
r1,2min.1.5mm
Dimensioni Dello Spallamento
damin.64mm
damax.69mm
Damax.91mm
ramax.1.5mm
Dati Di Calcolo
Coefficiente di carico dinamicoC 46.2kN
Coefficiente di carico statico di baseC0 29kN
Velocità limite  50r/min
Calculation Data
Limiting temperatureTmax.350°C
Massa
Massa cuscinetto  0.64kg