Non ci sono articoli nel tuo carrello
Prodotti
SCHEDA ARTICOLO

6212-ZNBR/C3

CUSCINETTO
Codice: 65891
Disponibilità: Non disponibile
Disponibilità: Disponibile
Marca: SKF
Unità di misura: NR
Quantitativi ammessi: multipli di 1X
Da preventivare

Descrizione

Dimensioni: Foro: 60 mm Diametro: 116,6 mm Spessore: 22 mm Peso: 0,785 kg


Dettagli

  • EAN-Code : 07316571369556
  • Taric number : 84821090

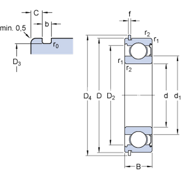
Dimensioni
d 60mm
D 110mm
B 22mm
d175.5mm
D298mm
D3 106.81mm
D4 116.6mm
b 2.7mm
C 3.28mm
f 2.46mm
r0max.0.6mm
r1,2min.1.5mm
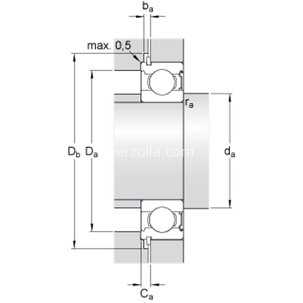
Dimensioni Dello Spallamento
damin.69mm
damax.75.4mm
Damax.101mm
Dbmin.118mm
bamin.3mm
Camax.5.74mm
ramax.1.5mm
Dati Di Calcolo
Coefficiente di carico dinamicoC 55.3kN
Coefficiente di carico statico di baseC0 36kN
Carico limite di faticaPu 1.53kN
Velocità di riferimento  13000r/min
Velocità limite  8000r/min
Fattore di calcolokr 0.025 
Fattore di calcolof0 14 
Massa
Massa cuscinetto  0.81kg
Prodotti Appropriati
Anello di ancoraggio  SP 110