Non ci sono articoli nel tuo carrello
Prodotti
SCHEDA ARTICOLO

6213-2RS1

CUSCINETTO
Codice: 00535
Disponibilità: disponibile
Disponibilità: 85 disponibile
Marca: SKF
Unità di misura: NR
Quantitativi ammessi: multipli di 1X
€44,82

Descrizione

Dimensioni: Foro: 65 mm Diametro: 120 mm Spessore: 23 mm Peso: 1,0174 kg


Dettagli

  • EAN-Code : 07316570256772
  • Taric number : 84821090

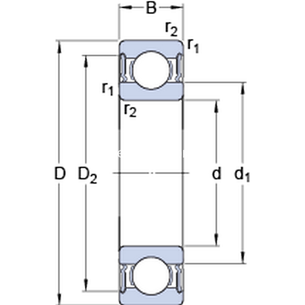
Dimensioni
d 65mm
D 120mm
B 23mm
d183.3mm
D2105.8mm
r1,2min.1.5mm
Dimensioni Dello Spallamento
damin.74mm
damax.83.2mm
Damax.111mm
ramax.1.5mm
Dati Di Calcolo
Coefficiente di carico dinamicoC 58.5kN
Coefficiente di carico statico di baseC0 40.5kN
Carico limite di faticaPu 1.73kN
Velocità limite  3600r/min
Fattore di calcolokr 0.025 
Fattore di calcolof0 14.7 
Massa
Massa cuscinetto  1.05kg