Non ci sono articoli nel tuo carrello
Prodotti
SCHEDA ARTICOLO

6213/C4

CUSCINETTO
Codice: 40724
Disponibilità: disponibile
Disponibilità: 12 disponibile
Marca: SKF
Unità di misura: NR
Quantitativi ammessi: multipli di 1X
Da preventivare

Descrizione

Dimensioni: Foro: 65 mm Diametro: 120 mm Spessore: 23 mm Peso: 0,9903 kg


Dettagli

  • EAN-Code : 07316577066503
  • Taric number : 84821090

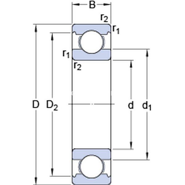
Dimensioni
d 65mm
D 120mm
B 23mm
d183.3mm
D2105.8mm
r1,2min.1.5mm
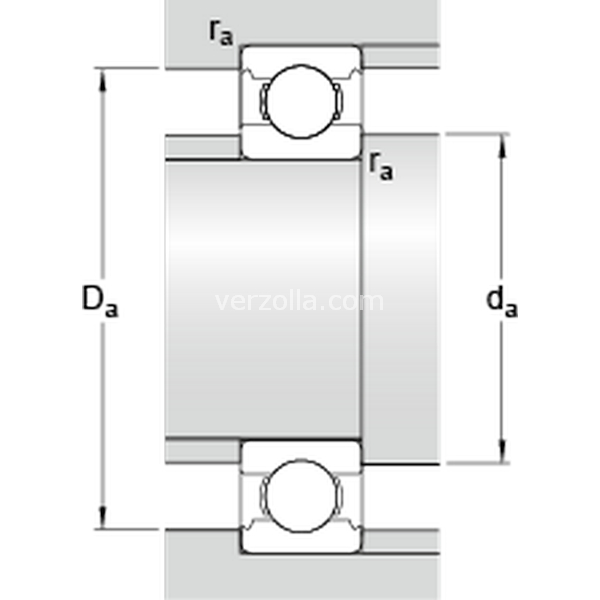
Dimensioni Dello Spallamento
damin.74mm
Damax.111mm
ramax.1.5mm
Dati Di Calcolo
Coefficiente di carico dinamicoC 58.5kN
Coefficiente di carico statico di baseC0 40.5kN
Carico limite di faticaPu 1.73kN
Velocità di riferimento  12000r/min
Velocità limite  7500r/min
Fattore di calcolokr 0.025 
Fattore di calcolof0 14.7 
Massa
Massa cuscinetto  1.02kg