Non ci sono articoli nel tuo carrello
Prodotti
SCHEDA ARTICOLO

6214-2RS1

CUSCINETTO
Codice: 00541
Disponibilità: disponibile
Disponibilità: 178 disponibile
Marca: SKF
Unità di misura: NR
Quantitativi ammessi: multipli di 1X
€52,17

Descrizione

Dimensioni: Foro: 70 mm Diametro: 125 mm Spessore: 24 mm Peso: 1,0951 kg


Dettagli

  • EAN-Code : 07316570615043
  • Taric number : 84821090

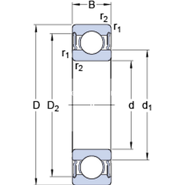
Dimensioni
d 70mm
D 125mm
B 24mm
d187.05mm
D2111mm
r1,2min.1.5mm
Dimensioni Dello Spallamento
damin.79mm
damax.87mm
Damax.116mm
ramax.1.5mm
Dati Di Calcolo
Coefficiente di carico dinamicoC 63.7kN
Coefficiente di carico statico di baseC0 45kN
Carico limite di faticaPu 1.9kN
Velocità limite  3400r/min
Fattore di calcolokr 0.025 
Fattore di calcolof0 14.7 
Massa
Massa cuscinetto  1.12kg