Non ci sono articoli nel tuo carrello
Prodotti
SCHEDA ARTICOLO

6214-2Z/VA208

CUSCINETTO
Codice: 72901
Disponibilità: disponibile
Disponibilità: 28 disponibile
Marca: SKF
Unità di misura: NR
Quantitativi ammessi: multipli di 1X
Da preventivare

Descrizione

Dimensioni: Foro: 70 mm Diametro: 125 mm Spessore: 24 mm Peso: 1,075 kg


Dettagli

  • EAN-Code : 07316571179940
  • Taric number : 84821090

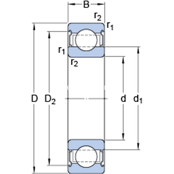
Dimensioni
d 70mm
D 125mm
B 24mm
d187.05mm
D2111mm
r1,2min.1.5mm
Dimensioni Dello Spallamento
damin.79mm
damax.87mm
Damax.116mm
ramax.1.5mm
Dati Di Calcolo
Coefficiente di carico dinamicoC 63.7kN
Coefficiente di carico statico di baseC0 45kN
Velocità limite  40r/min
Calculation Data
Limiting temperatureTmax.350°C
Massa
Massa cuscinetto  1.13kg