Non ci sono articoli nel tuo carrello
Prodotti
SCHEDA ARTICOLO

6215-2RS1

CUSCINETTO
Codice: 00546
Disponibilità: disponibile
Disponibilità: 102 disponibile
Marca: SKF
Unità di misura: NR
Quantitativi ammessi: multipli di 1X
€58,78

Descrizione

Dimensioni: Foro: 75 mm Diametro: 130 mm Spessore: 25 mm Peso: 1,1905 kg


Dettagli

  • EAN-Code : 07316571140667
  • Taric number : 84821090

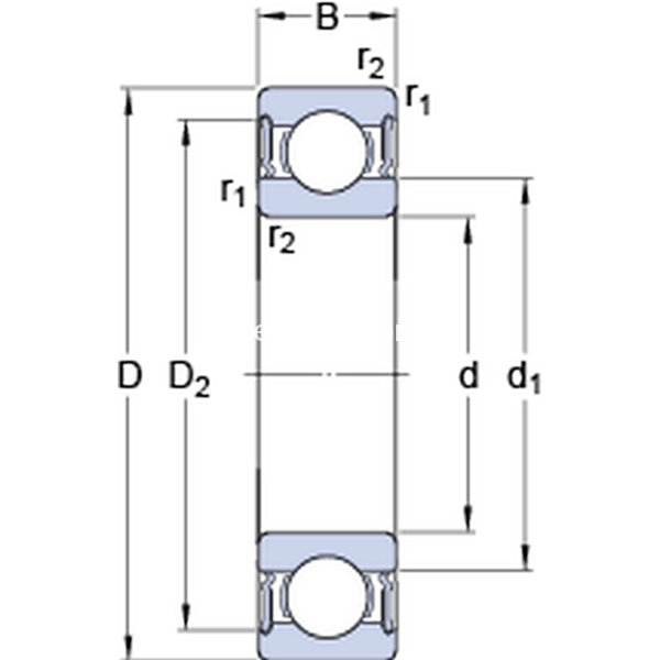
Dimensioni
d 75mm
D 130mm
B 25mm
d192.05mm
D2116.5mm
r1,2min.1.5mm
Dimensioni Dello Spallamento
damin.84mm
damax.92mm
Damax.121mm
ramax.1.5mm
Dati Di Calcolo
Coefficiente di carico dinamicoC 68.9kN
Coefficiente di carico statico di baseC0 49kN
Carico limite di faticaPu 2.04kN
Velocità limite  3200r/min
Fattore di calcolokr 0.025 
Fattore di calcolof0 14.7 
Massa
Massa cuscinetto  1.22kg