Non ci sono articoli nel tuo carrello
Prodotti
SCHEDA ARTICOLO

6215-Z

CUSCINETTO
Codice: 00550
Disponibilità: Non disponibile
Disponibilità: Disponibile
Marca: SKF
Unità di misura: NR
Quantitativi ammessi: multipli di 1X
Da preventivare

Descrizione

Dimensioni: Foro: 75 mm Diametro: 130 mm Spessore: 25 mm Peso: 1,1724 kg


Dettagli

  • EAN-Code : 07316577738332
  • Taric number : 84821090

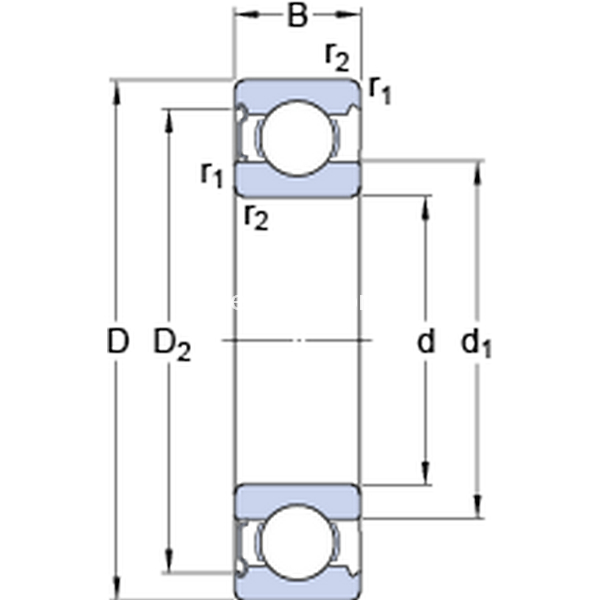
Dimensioni
d 75mm
D 130mm
B 25mm
d192.05mm
D2116.5mm
r1,2min.1.5mm
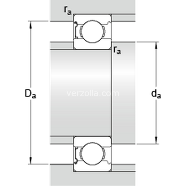
Dimensioni Dello Spallamento
damin.84mm
damax.92mm
Damax.121mm
ramax.1.5mm
Dati Di Calcolo
Coefficiente di carico dinamicoC 68.9kN
Coefficiente di carico statico di baseC0 49kN
Carico limite di faticaPu 2.04kN
Velocità di riferimento  10000r/min
Velocità limite  6700r/min
Fattore di calcolokr 0.025 
Fattore di calcolof0 14.7 
Massa
Massa cuscinetto  1.2kg