Non ci sono articoli nel tuo carrello
Prodotti
SCHEDA ARTICOLO

6216-RS1

CUSCINETTO
Codice: 00555
Disponibilità: Non disponibile
Disponibilità: Disponibile
Marca: SKF
Unità di misura: NR
Quantitativi ammessi: multipli di 1X
Da preventivare

Descrizione

Dimensioni: Foro: 80 mm Diametro: 140 mm Spessore: 26 mm Peso: 1,4429 kg


Dettagli

  • EAN-Code : 07316570959338
  • Taric number : 84821090

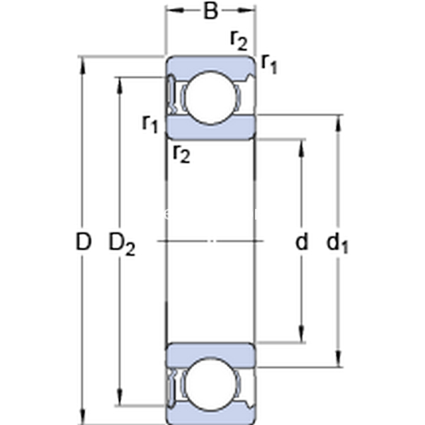
Dimensioni
d 80mm
D 140mm
B 26mm
d1101.4mm
D2126.5mm
r1,2min.2mm
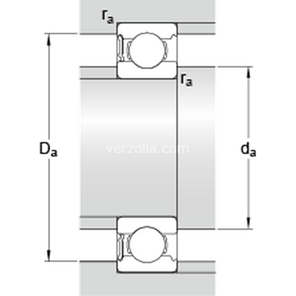
Dimensioni Dello Spallamento
damin.91mm
damax.100.9mm
Damax.129mm
ramax.2mm
Dati Di Calcolo
Coefficiente di carico dinamicoC 72.8kN
Coefficiente di carico statico di baseC0 55kN
Carico limite di faticaPu 2.2kN
Velocità limite  3000r/min
Fattore di calcolokr 0.025 
Fattore di calcolof0 15 
Massa
Massa cuscinetto  1.51kg