Non ci sono articoli nel tuo carrello
Prodotti
SCHEDA ARTICOLO

6217

CUSCINETTO
Codice: 00557
Disponibilità: disponibile
Disponibilità: 20 disponibile
Marca: SKF
Unità di misura: NR
Quantitativi ammessi: multipli di 1X
€100,66

Descrizione

Dimensioni: Foro: 85 mm Diametro: 150 mm Spessore: 28 mm


Dettagli

  • EAN-Code : 07316577302823
  • Taric number : 84821090

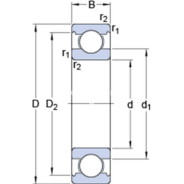
Dimensioni
d 85mm
D 150mm
B 28mm
d1106.05mm
D2134.3mm
r1,2min.2mm
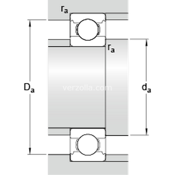
Dimensioni Dello Spallamento
damin.96mm
Damax.139mm
ramax.2mm
Dati Di Calcolo
Coefficiente di carico dinamicoC 87.1kN
Coefficiente di carico statico di baseC0 64kN
Carico limite di faticaPu 2.5kN
Velocità di riferimento  9000r/min
Velocità limite  5600r/min
Fattore di calcolokr 0.025 
Fattore di calcolof0 14.7 
Massa
Massa cuscinetto  1.8kg