Non ci sono articoli nel tuo carrello
Prodotti
SCHEDA ARTICOLO

6221

CUSCINETTO
Codice: 00568
Disponibilità: disponibile
Disponibilità: 113 disponibile
Marca: SKF
Unità di misura: NR
Quantitativi ammessi: multipli di 1X
€215,83

Descrizione

Dimensioni: Foro: 105 mm Diametro: 190 mm Spessore: 36 mm


Dettagli

  • EAN-Code : 07316576621543
  • Taric number : 84821090

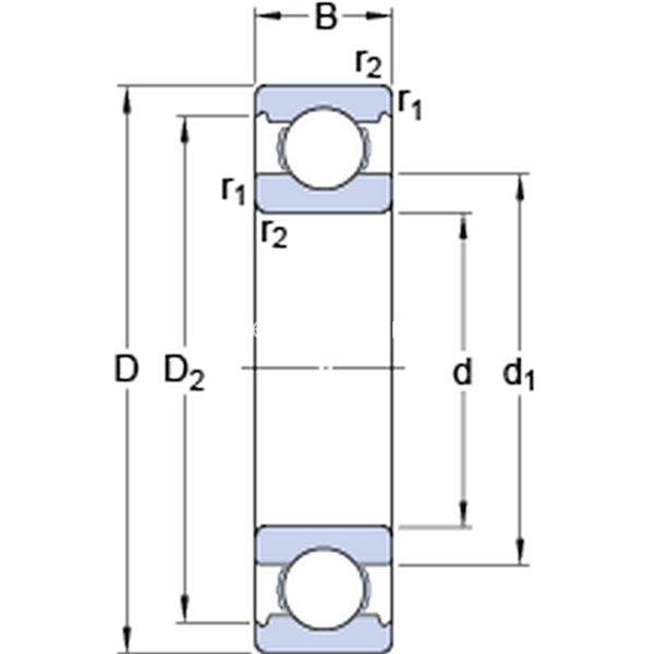
Dimensioni
d 105mm
D 190mm
B 36mm
d1131.4mm
D2166.8mm
r1,2min.2.1mm
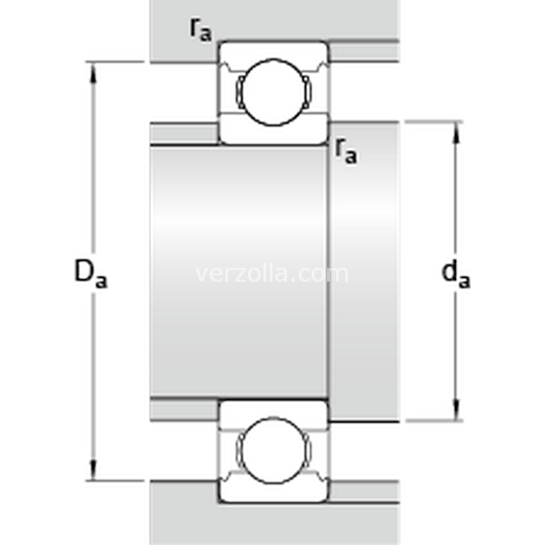
Dimensioni Dello Spallamento
damin.117mm
Damax.178mm
ramax.2mm
Dati Di Calcolo
Coefficiente di carico dinamicoC 140kN
Coefficiente di carico statico di baseC0 104kN
Carico limite di faticaPu 3.65kN
Velocità di riferimento  7000r/min
Velocità limite  4500r/min
Fattore di calcolokr 0.025 
Fattore di calcolof0 14.4 
Massa
Massa cuscinetto  3.79kg