Non ci sono articoli nel tuo carrello
Prodotti
SCHEDA ARTICOLO

6222

CUSCINETTO
Codice: 00569
Disponibilità: Disp. limitata
Disponibilità: 5 disponibile
Marca: SKF
Unità di misura: NR
Quantitativi ammessi: multipli di 1X
€252,28

Descrizione

Dimensioni: Foro: 110 mm Diametro: 200 mm Spessore: 38 mm


Dettagli

  • EAN-Code : 07316576622175
  • Taric number : 84821090

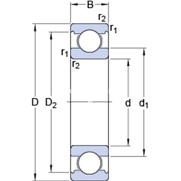
Dimensioni
d 110mm
D 200mm
B 38mm
d1138mm
D2176.7mm
r1,2min.2.1mm
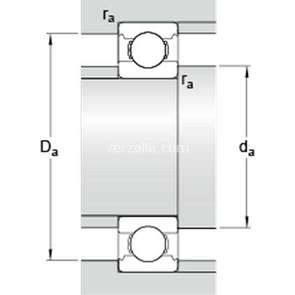
Dimensioni Dello Spallamento
damin.122mm
Damax.188mm
ramax.2mm
Dati Di Calcolo
Coefficiente di carico dinamicoC 151kN
Coefficiente di carico statico di baseC0 118kN
Carico limite di faticaPu 4kN
Velocità di riferimento  6700r/min
Velocità limite  4300r/min
Fattore di calcolokr 0.025 
Fattore di calcolof0 14.3 
Massa
Massa cuscinetto  4.45kg