Non ci sono articoli nel tuo carrello
Prodotti
SCHEDA ARTICOLO

6226/C3

CUSCINETTO
Codice: 70520
Disponibilità: disponibile
Disponibilità: 19 disponibile
Marca: SKF
Unità di misura: NR
Quantitativi ammessi: multipli di 1X
€349,90

Descrizione

Dimensioni: Foro: 130 mm Diametro: 230 mm Spessore: 40 mm Peso: 5,7604 kg


Dettagli

  • EAN-Code : 07316576618826
  • Taric number : 84821090

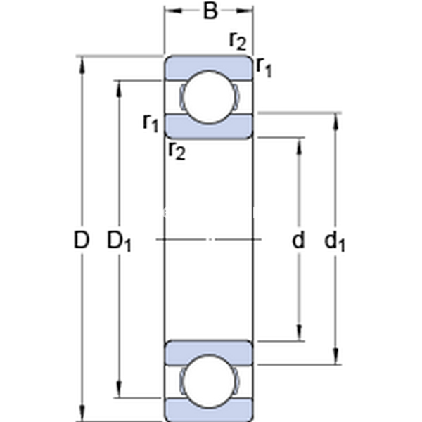
Dimensioni
d 130mm
D 230mm
B 40mm
d1160.5mm
D1197.5mm
r1,2min.3mm
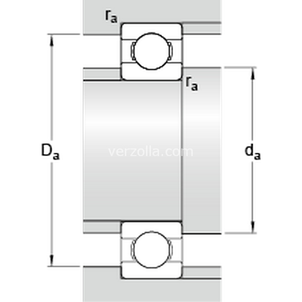
Dimensioni Dello Spallamento
damin.144mm
Damax.216mm
ramax.2.5mm
Dati Di Calcolo
Coefficiente di carico dinamicoC 156kN
Coefficiente di carico statico di baseC0 132kN
Carico limite di faticaPu 4.15kN
Velocità di riferimento  5600r/min
Velocità limite  3600r/min
Fattore di calcolokr 0.025 
Fattore di calcolof0 14.5 
Massa
Massa cuscinetto  5.86kg