Non ci sono articoli nel tuo carrello
Prodotti
SCHEDA ARTICOLO

623-2RS1

CUSCINETTO
Codice: 60187
Disponibilità: disponibile
Disponibilità: 174 disponibile
Marca: SKF
Unità di misura: NR
Quantitativi ammessi: multipli di 1X
€6,13

Descrizione

Dimensioni: Foro: 3 mm Diametro: 10 mm Spessore: 4 mm Peso: 0,0019 kg


Dettagli

  • EAN-Code : 07316577100078
  • Taric number : 84821010

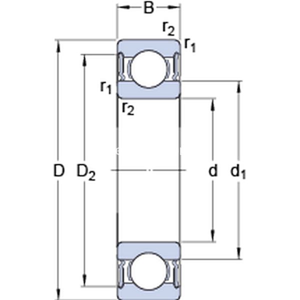
Dimensioni
d 3mm
D 10mm
B 4mm
d15.2mm
D28.2mm
r1,2min.0.15mm
Dimensioni Dello Spallamento
damin.4.2mm
damax.5.1mm
Damax.8.8mm
ramax.0.1mm
Dati Di Calcolo
Coefficiente di carico dinamicoC 0.54kN
Coefficiente di carico statico di baseC0 0.18kN
Carico limite di faticaPu 0.007kN
Velocità limite  40000r/min
Fattore di calcolokr 0.025 
Fattore di calcolof0 7.5 
Massa
Massa cuscinetto  0.0015kg