Non ci sono articoli nel tuo carrello
Prodotti
SCHEDA ARTICOLO

6230/C4

CUSCINETTO
Codice: L9066
Disponibilità: Non disponibile
Disponibilità: Disponibile
Marca: SKF
Unità di misura: NR
Quantitativi ammessi: multipli di 1X
Da preventivare

Descrizione

Dimensioni: Foro: 150 mm Diametro: 270 mm Spessore: 45 mm Peso: 6,9836 kg


Dettagli

  • EAN-Code : 07316571754116
  • Taric number : 84821090

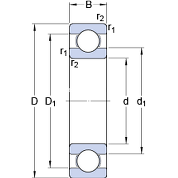
Dimensioni
d 150mm
D 270mm
B 45mm
d1190.6mm
D1227.35mm
r1,2min.3mm
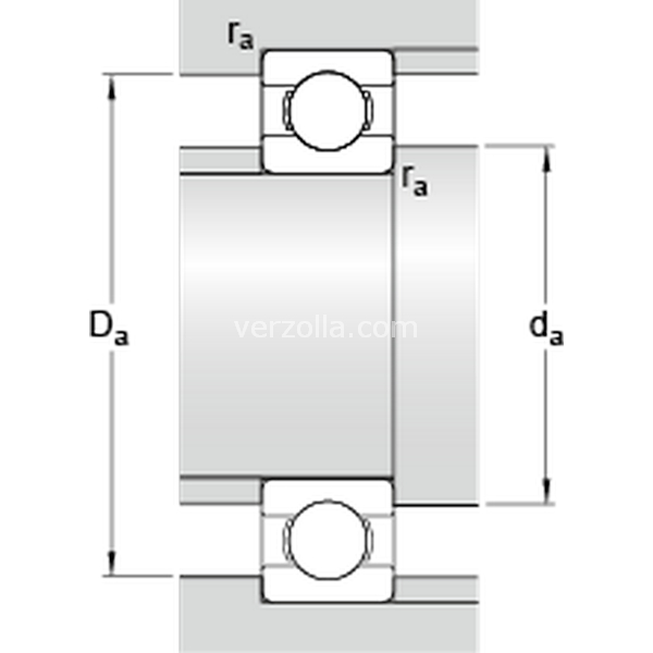
Dimensioni Dello Spallamento
damin.164mm
Damax.256mm
ramax.2.5mm
Dati Di Calcolo
Coefficiente di carico dinamicoC 174kN
Coefficiente di carico statico di baseC0 166kN
Carico limite di faticaPu 4.9kN
Velocità di riferimento  5000r/min
Velocità limite  3200r/min
Fattore di calcolokr 0.025 
Fattore di calcolof0 15.1 
Massa
Massa cuscinetto  10.1kg