Non ci sono articoli nel tuo carrello
Prodotti
SCHEDA ARTICOLO

6234 M/C3

CUSCINETTO
Codice: 70872
Disponibilità: Non disponibile
Disponibilità: Disponibile
Marca: SKF
Unità di misura: NR
Quantitativi ammessi: multipli di 1X
Da preventivare

Descrizione

Dimensioni: Foro: 170 mm Diametro: 310 mm Spessore: 52 mm Peso: 17,5 kg


Dettagli

  • EAN-Code : 07316576618871
  • Taric number : 84821090

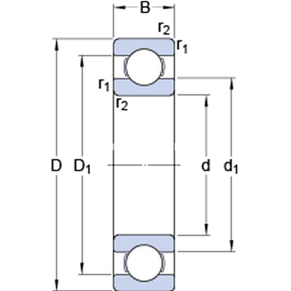
Dimensioni
d 170mm
D 310mm
B 52mm
d1218.65mm
D1259mm
r1,2min.4mm
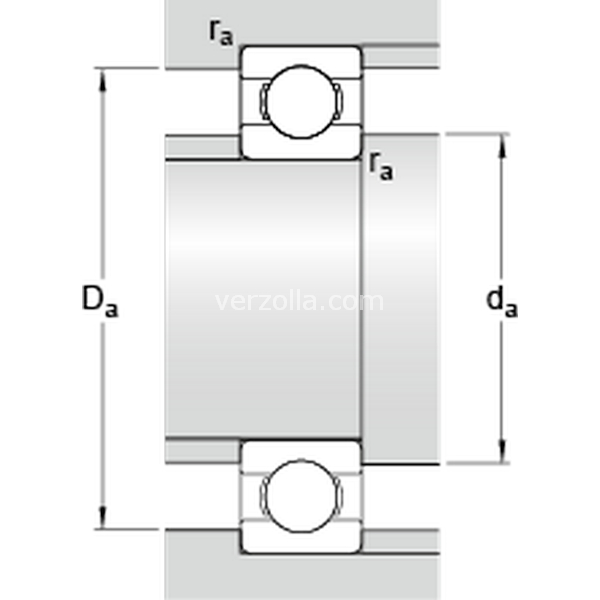
Dimensioni Dello Spallamento
damin.187mm
Damax.293mm
ramax.3mm
Dati Di Calcolo
Coefficiente di carico dinamicoC 212kN
Coefficiente di carico statico di baseC0 224kN
Carico limite di faticaPu 6.1kN
Velocità di riferimento  4300r/min
Velocità limite  3800r/min
Fattore di calcolokr 0.025 
Fattore di calcolof0 15.3 
Massa
Massa cuscinetto  17.5kg