Non ci sono articoli nel tuo carrello
Prodotti
SCHEDA ARTICOLO

6248 M

CUSCINETTO
Codice: 44046
Disponibilità: disponibile
Disponibilità: 6 disponibile
Marca: SKF
Unità di misura: NR
Quantitativi ammessi: multipli di 1X
Da preventivare

Descrizione

Dimensioni: Foro: 240 mm Diametro: 440 mm Spessore: 72 mm


Dettagli

  • EAN-Code : 07316570668742
  • Taric number : 84821090

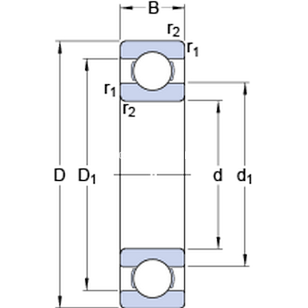
Dimensioni
d 240mm
D 440mm
B 72mm
d1309.5mm
D1370.5mm
r1,2min.4mm
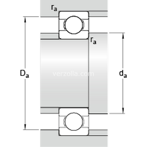
Dimensioni Dello Spallamento
damin.257mm
Damax.423mm
ramax.3mm
Dati Di Calcolo
Coefficiente di carico dinamicoC 358kN
Coefficiente di carico statico di baseC0 465kN
Carico limite di faticaPu 10.8kN
Velocità di riferimento  3000r/min
Velocità limite  2600r/min
Fattore di calcolokr 0.025 
Fattore di calcolof0 15 
Massa
Massa cuscinetto  51kg