Non ci sono articoli nel tuo carrello
Prodotti
SCHEDA ARTICOLO

6305-RS1

CUSCINETTO
Codice: 43647
Disponibilità: disponibile
Disponibilità: 439 disponibile
Marca: SKF
Unità di misura: NR
Quantitativi ammessi: multipli di 1X
Da preventivare

Descrizione

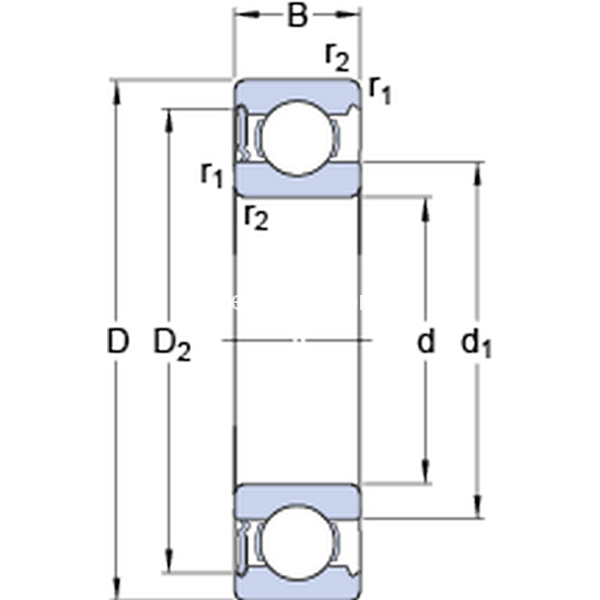
Dimensioni: Foro: 25 mm Diametro: 62 mm Spessore: 17 mm Peso: 0,22 kg


Dettagli

  • EAN-Code : 07316571070117
  • Taric number : 84821090

Dimensioni
d 25mm
D 62mm
B 17mm
d136.6mm
D252.7mm
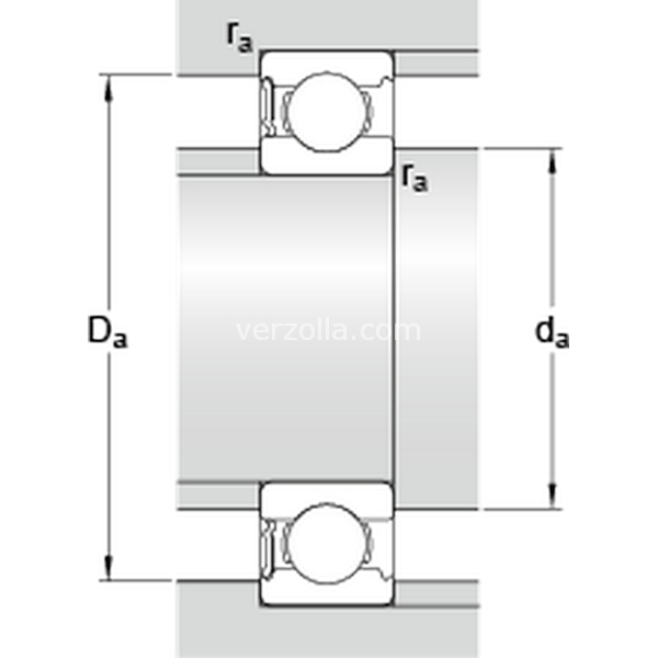
Dimensioni Dello Spallamento
damin.32mm
damax.36.5mm
Damax.55mm
ramax.1mm
Dati Di Calcolo
Coefficiente di carico dinamicoC 23.4kN
Coefficiente di carico statico di baseC0 11.6kN
Carico limite di faticaPu 0.49kN
Velocità limite  7500r/min
Fattore di calcolokr 0.03 
Fattore di calcolof0 12 
Massa
Massa cuscinetto  0.23kg