Non ci sono articoli nel tuo carrello
Prodotti
SCHEDA ARTICOLO

6306-2RS1

CUSCINETTO
Codice: 00635
Disponibilità: disponibile
Disponibilità: 2622 disponibile
Marca: SKF
Unità di misura: NR
Quantitativi ammessi: multipli di 1X
€10,70

Descrizione

Dimensioni: Foro: 30 mm Diametro: 72 mm Spessore: 19 mm Peso: 0,352 kg


Dettagli

  • EAN-Code : 07316570950885
  • Taric number : 84821090

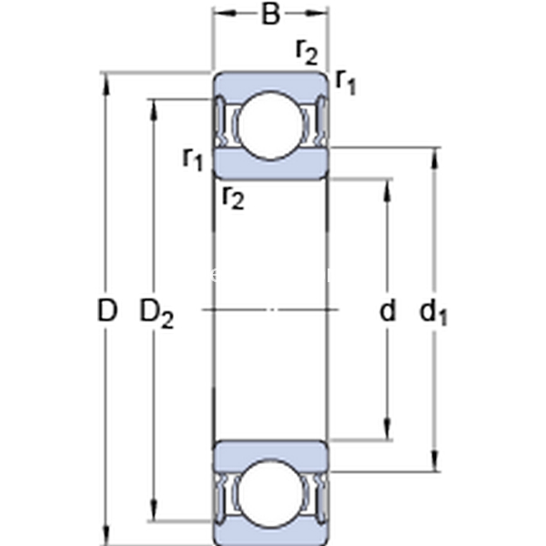
Dimensioni
d 30mm
D 72mm
B 19mm
d144.6mm
D261.88mm
r1,2min.1.1mm
Dimensioni Dello Spallamento
damin.37mm
damax.44.5mm
Damax.65mm
ramax.1mm
Dati Di Calcolo
Coefficiente di carico dinamicoC 29.6kN
Coefficiente di carico statico di baseC0 16kN
Carico limite di faticaPu 0.67kN
Velocità limite  6300r/min
Fattore di calcolokr 0.03 
Fattore di calcolof0 13.1 
Massa
Massa cuscinetto  0.36kg