Non ci sono articoli nel tuo carrello
Prodotti
SCHEDA ARTICOLO

6306-2Z/VA208

CUSCINETTO
Codice: 82230
Disponibilità: Disp. limitata
Disponibilità: 4 disponibile
Marca: SKF
Unità di misura: NR
Quantitativi ammessi: multipli di 1X
Da preventivare

Descrizione

Dimensioni: Foro: 30 mm Diametro: 72 mm Spessore: 19 mm Peso: 0,346 kg


Dettagli

  • EAN-Code : 07316570232448
  • Taric number : 84821090

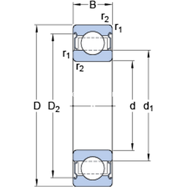
Dimensioni
d 30mm
D 72mm
B 19mm
d144.6mm
D261.88mm
r1,2min.1.1mm
Dimensioni Dello Spallamento
damin.37mm
damax.44.5mm
Damax.65mm
ramax.1mm
Dati Di Calcolo
Coefficiente di carico dinamicoC 29.6kN
Coefficiente di carico statico di baseC0 16kN
Velocità limite  80r/min
Calculation Data
Limiting temperatureTmax.350°C
Massa
Massa cuscinetto  0.36kg