Non ci sono articoli nel tuo carrello
Prodotti
SCHEDA ARTICOLO

6306-Z/C3

CUSCINETTO
Codice: 00643
Disponibilità: Disp. limitata
Disponibilità: 2 disponibile
Marca: SKF
Unità di misura: NR
Quantitativi ammessi: multipli di 1X
Da preventivare

Descrizione

Dimensioni: Foro: 30 mm Diametro: 72 mm Spessore: 19 mm Peso: 0,345 kg


Dettagli

  • EAN-Code : 07316571370903
  • Taric number : 84821090

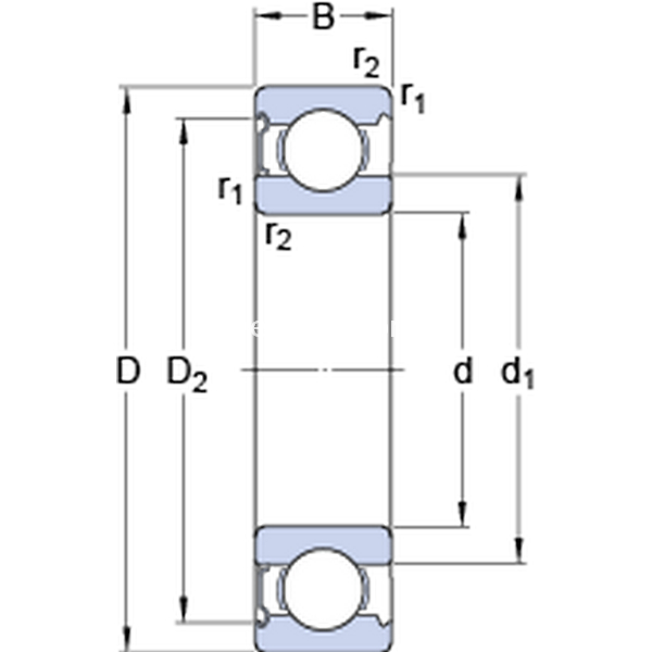
Dimensioni
d 30mm
D 72mm
B 19mm
d144.6mm
D261.88mm
r1,2min.1.1mm
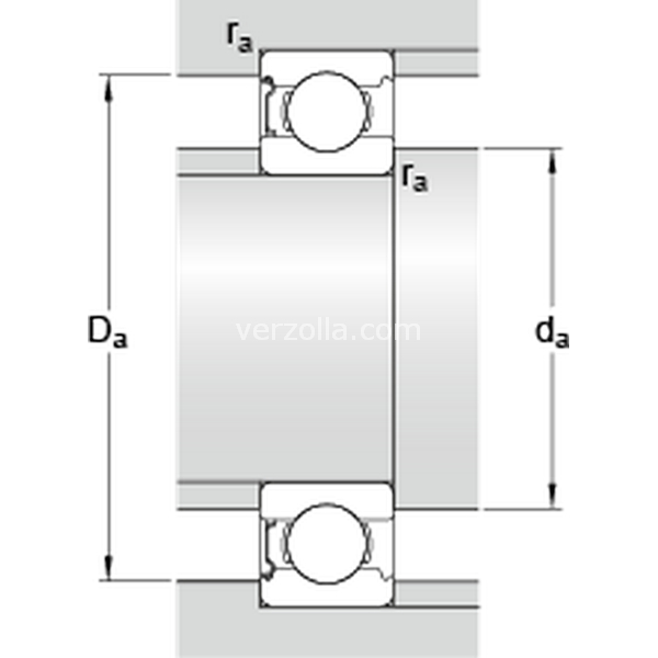
Dimensioni Dello Spallamento
damin.37mm
damax.44.5mm
Damax.65mm
ramax.1mm
Dati Di Calcolo
Coefficiente di carico dinamicoC 29.6kN
Coefficiente di carico statico di baseC0 16kN
Carico limite di faticaPu 0.67kN
Velocità di riferimento  20000r/min
Velocità limite  13000r/min
Fattore di calcolokr 0.03 
Fattore di calcolof0 13.1 
Massa
Massa cuscinetto  0.35kg