Non ci sono articoli nel tuo carrello
Prodotti
SCHEDA ARTICOLO

6307/C4

CUSCINETTO
Codice: H4939
Disponibilità: Non disponibile
Disponibilità: Disponibile
Marca: SKF
Unità di misura: NR
Quantitativi ammessi: multipli di 1X
Da preventivare

Descrizione

Dimensioni: Foro: 35 mm Diametro: 80 mm Spessore: 21 mm Peso: 0,444 kg


Dettagli

  • EAN-Code : 07316577099433
  • Taric number : 84821090

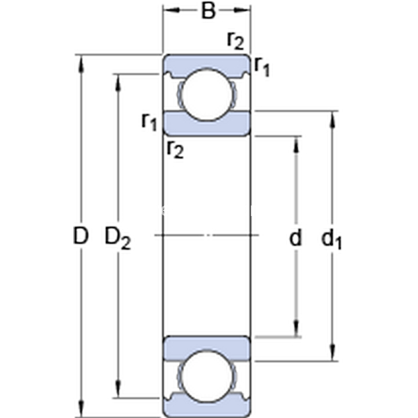
Dimensioni
d 35mm
D 80mm
B 21mm
d149.56mm
D269.2mm
r1,2min.1.5mm
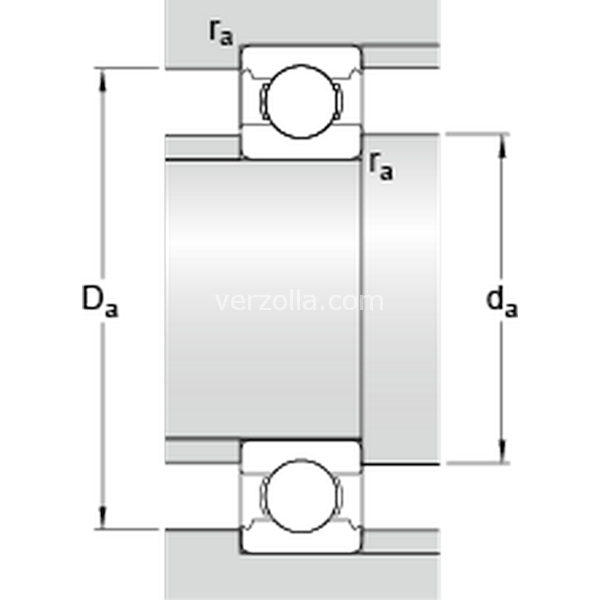
Dimensioni Dello Spallamento
damin.44mm
Damax.71mm
ramax.1.5mm
Dati Di Calcolo
Coefficiente di carico dinamicoC 35.1kN
Coefficiente di carico statico di baseC0 19kN
Carico limite di faticaPu 0.815kN
Velocità di riferimento  19000r/min
Velocità limite  12000r/min
Fattore di calcolokr 0.03 
Fattore di calcolof0 13.1 
Massa
Massa cuscinetto  0.46kg