Non ci sono articoli nel tuo carrello
Prodotti
SCHEDA ARTICOLO

6308

CUSCINETTO
Codice: 00654
Disponibilità: disponibile
Disponibilità: 872 disponibile
Marca: SKF
Unità di misura: NR
Quantitativi ammessi: multipli di 1X
€15,25

Descrizione

Dimensioni: Foro: 40 mm Diametro: 90 mm Spessore: 23 mm


Dettagli

  • EAN-Code : 07316577738905
  • Taric number : 84821090

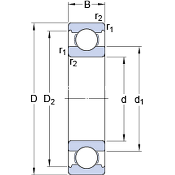
Dimensioni
d 40mm
D 90mm
B 23mm
d156.11mm
D277.7mm
r1,2min.1.5mm
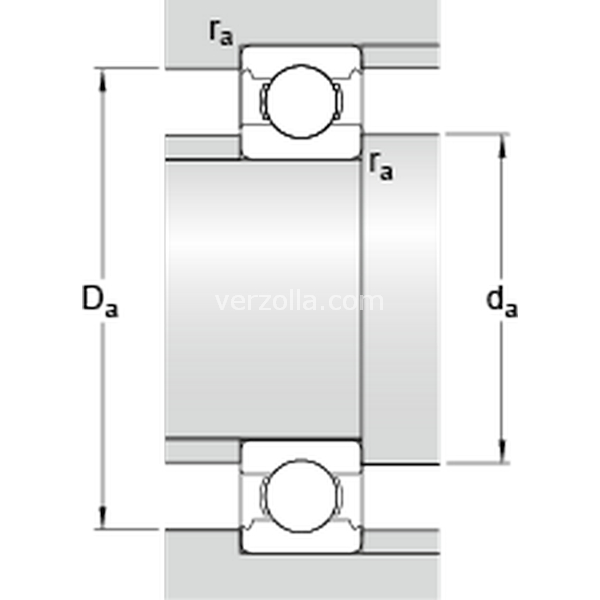
Dimensioni Dello Spallamento
damin.49mm
Damax.81mm
ramax.1.5mm
Dati Di Calcolo
Coefficiente di carico dinamicoC 42.3kN
Coefficiente di carico statico di baseC0 24kN
Carico limite di faticaPu 1.02kN
Velocità di riferimento  17000r/min
Velocità limite  11000r/min
Fattore di calcolokr 0.03 
Fattore di calcolof0 13.2 
Massa
Massa cuscinetto  0.63kg