Non ci sono articoli nel tuo carrello
Prodotti
SCHEDA ARTICOLO

6309-2RS1

CUSCINETTO
Codice: 00664
Disponibilità: disponibile
Disponibilità: 760 disponibile
Marca: SKF
Unità di misura: NR
Quantitativi ammessi: multipli di 1X
€25,02

Descrizione

Dimensioni: Foro: 45 mm Diametro: 100 mm Spessore: 25 mm Peso: 0,841 kg


Dettagli

  • EAN-Code : 07316574600403
  • Taric number : 84821090

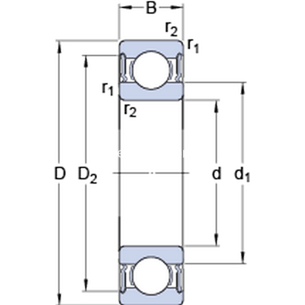
Dimensioni
d 45mm
D 100mm
B 25mm
d162.18mm
D286.7mm
r1,2min.1.5mm
Dimensioni Dello Spallamento
damin.54mm
damax.62.1mm
Damax.91mm
ramax.1.5mm
Dati Di Calcolo
Coefficiente di carico dinamicoC 55.3kN
Coefficiente di carico statico di baseC0 31.5kN
Carico limite di faticaPu 1.34kN
Velocità limite  4500r/min
Fattore di calcolokr 0.03 
Fattore di calcolof0 13 
Massa
Massa cuscinetto  0.86kg