Non ci sono articoli nel tuo carrello
Prodotti
SCHEDA ARTICOLO

6309-2Z/VA208

CUSCINETTO
Codice: G4010
Disponibilità: disponibile
Disponibilità: 10 disponibile
Marca: SKF
Unità di misura: NR
Quantitativi ammessi: multipli di 1X
Da preventivare

Descrizione

Dimensioni: Foro: 45 mm Diametro: 100 mm Spessore: 25 mm Peso: 0,814 kg


Dettagli

  • EAN-Code : 07316570410754
  • Taric number : 84821090

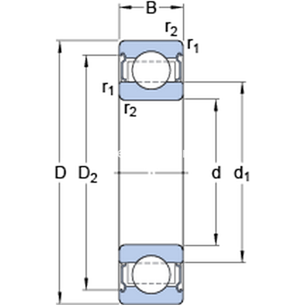
Dimensioni
d 45mm
D 100mm
B 25mm
d162.18mm
D286.7mm
r1,2min.1.5mm
Dimensioni Dello Spallamento
damin.54mm
damax.62.1mm
Damax.91mm
ramax.1.5mm
Dati Di Calcolo
Coefficiente di carico dinamicoC 55.3kN
Coefficiente di carico statico di baseC0 31.5kN
Velocità limite  60r/min
Calculation Data
Limiting temperatureTmax.350°C
Massa
Massa cuscinetto  0.87kg