Non ci sono articoli nel tuo carrello
Prodotti
SCHEDA ARTICOLO

6309-ZNR

CUSCINETTO
Codice: 01434
Disponibilità: Disp. limitata
Disponibilità: 2 disponibile
Marca: SKF
Unità di misura: NR
Quantitativi ammessi: multipli di 1X
Da preventivare

Descrizione

Dimensioni: Foro: 45 mm Diametro: 106,5 mm Spessore: 25 mm Peso: 0,851 kg


Dettagli

  • EAN-Code : 07316577303004
  • Taric number : 84821090

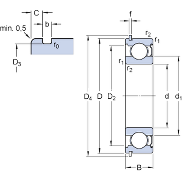
Dimensioni
d 45mm
D 100mm
B 25mm
d162.18mm
D286.7mm
D3 96.8mm
D4 106.5mm
b 2.7mm
C 3.28mm
f 2.46mm
r0max.0.6mm
r1,2min.1.5mm
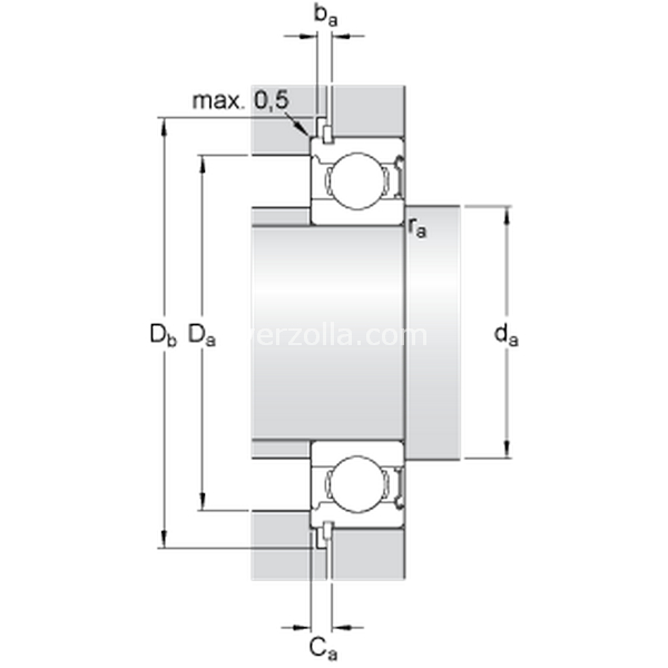
Dimensioni Dello Spallamento
damin.54mm
damax.62.1mm
Damax.91mm
Dbmin.108mm
bamin.3mm
Camax.5.74mm
ramax.1.5mm
Dati Di Calcolo
Coefficiente di carico dinamicoC 55.3kN
Coefficiente di carico statico di baseC0 31.5kN
Carico limite di faticaPu 1.34kN
Velocità di riferimento  15000r/min
Velocità limite  9500r/min
Fattore di calcolokr 0.03 
Fattore di calcolof0 13 
Massa
Massa cuscinetto  0.86kg
Prodotti Appropriati
Anello di ancoraggio  SP 100