Non ci sono articoli nel tuo carrello
Prodotti
SCHEDA ARTICOLO

6310 NR

CUSCINETTO
Codice: 00674
Disponibilità: Disp. limitata
Disponibilità: 1 disponibile
Marca: SKF
Unità di misura: NR
Quantitativi ammessi: multipli di 1X
Da preventivare

Descrizione

Dimensioni: Foro: 50 mm Diametro: 116,6 mm Spessore: 27 mm Peso: 1,07 kg


Dettagli

  • EAN-Code : 07316577303028
  • Taric number : 84821090

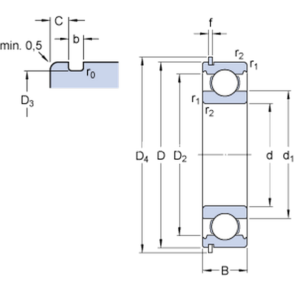
Dimensioni
d 50mm
D 110mm
B 27mm
d168.76mm
D295.2mm
D3 106.81mm
D4 116.6mm
b 2.7mm
C 3.28mm
f 2.46mm
r0max.0.6mm
r1,2min.2mm
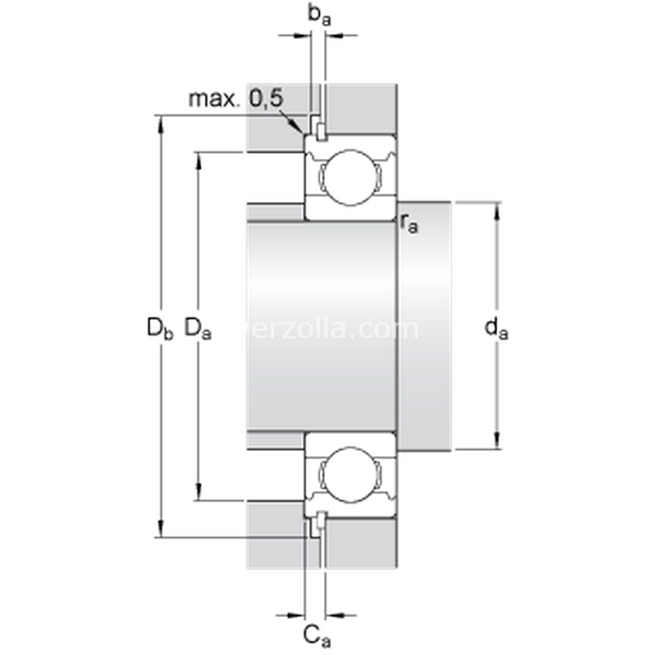
Dimensioni Dello Spallamento
damin.61mm
Damax.99mm
Dbmin.118mm
bamin.3mm
Camax.5.74mm
ramax.2mm
Dati Di Calcolo
Coefficiente di carico dinamicoC 65kN
Coefficiente di carico statico di baseC0 38kN
Carico limite di faticaPu 1.6kN
Velocità di riferimento  13000r/min
Velocità limite  8500r/min
Fattore di calcolokr 0.03 
Fattore di calcolof0 13 
Massa
Massa cuscinetto  1.1kg
Prodotti Appropriati
Anello di ancoraggio  SP 110