Non ci sono articoli nel tuo carrello
Prodotti
SCHEDA ARTICOLO

6311-Z

CUSCINETTO
Codice: 00681
Disponibilità: disponibile
Disponibilità: 37 disponibile
Marca: SKF
Unità di misura: NR
Quantitativi ammessi: multipli di 1X
Da preventivare

Descrizione

Dimensioni: Foro: 55 mm Diametro: 120 mm Spessore: 29 mm Peso: 1,3526 kg


Dettagli

  • EAN-Code : 07316577612823
  • Taric number : 84821090

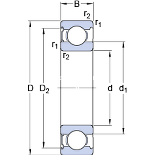
Dimensioni
d 55mm
D 120mm
B 29mm
d175.34mm
D2103.7mm
r1,2min.2mm
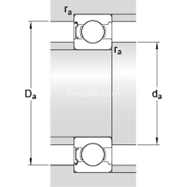
Dimensioni Dello Spallamento
damin.66mm
damax.75.2mm
Damax.109mm
ramax.2mm
Dati Di Calcolo
Coefficiente di carico dinamicoC 74.1kN
Coefficiente di carico statico di baseC0 45kN
Carico limite di faticaPu 1.9kN
Velocità di riferimento  12000r/min
Velocità limite  8000r/min
Fattore di calcolokr 0.03 
Fattore di calcolof0 13.1 
Massa
Massa cuscinetto  1.39kg