Non ci sono articoli nel tuo carrello
Prodotti
SCHEDA ARTICOLO

6312-2RS1/C3

CUSCINETTO
Codice: 40550
Disponibilità: disponibile
Disponibilità: 207 disponibile
Marca: SKF
Unità di misura: NR
Quantitativi ammessi: multipli di 1X
€52,75

Descrizione

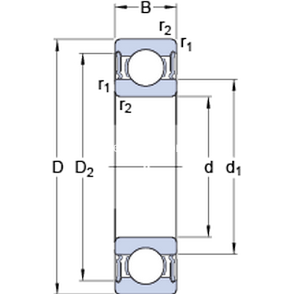
Dimensioni: Foro: 60 mm Diametro: 130 mm Spessore: 31 mm Peso: 1,7199 kg


Dettagli

  • EAN-Code : 07316576682063
  • Taric number : 84821090

Dimensioni
d 60mm
D 130mm
B 31mm
d181.86mm
D2112.2mm
r1,2min.2.1mm
Dimensioni Dello Spallamento
damin.72mm
damax.81.8mm
Damax.118mm
ramax.2mm
Dati Di Calcolo
Coefficiente di carico dinamicoC 85.2kN
Coefficiente di carico statico di baseC0 52kN
Carico limite di faticaPu 2.2kN
Velocità limite  3400r/min
Fattore di calcolokr 0.03 
Fattore di calcolof0 13.1 
Massa
Massa cuscinetto  1.77kg