Non ci sono articoli nel tuo carrello
Prodotti
SCHEDA ARTICOLO

6312-2Z

CUSCINETTO
Codice: 00684
Disponibilità: disponibile
Disponibilità: 114 disponibile
Marca: SKF
Unità di misura: NR
Quantitativi ammessi: multipli di 1X
€46,76

Descrizione

Dimensioni: Foro: 60 mm Diametro: 130 mm Spessore: 31 mm Peso: 1,7319 kg


Dettagli

  • EAN-Code : 07316577748751
  • Taric number : 84821090

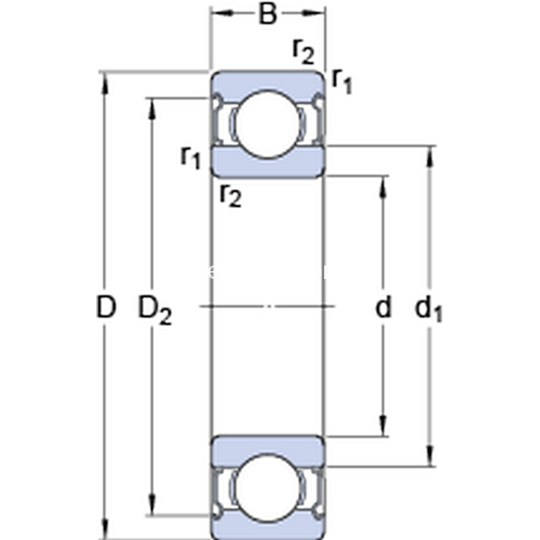
Dimensioni
d 60mm
D 130mm
B 31mm
d181.86mm
D2112.2mm
r1,2min.2.1mm
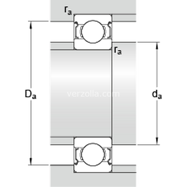
Dimensioni Dello Spallamento
damin.72mm
damax.81.8mm
Damax.118mm
ramax.2mm
Dati Di Calcolo
Coefficiente di carico dinamicoC 85.2kN
Coefficiente di carico statico di baseC0 52kN
Carico limite di faticaPu 2.2kN
Velocità di riferimento  11000r/min
Velocità limite  5600r/min
Fattore di calcolokr 0.03 
Fattore di calcolof0 13.1 
Massa
Massa cuscinetto  1.78kg