Non ci sono articoli nel tuo carrello
Prodotti
SCHEDA ARTICOLO

6312 NR

CUSCINETTO
Codice: 67162
Disponibilità: Non disponibile
Disponibilità: Disponibile
Marca: SKF
Unità di misura: NR
Quantitativi ammessi: multipli di 1X
Da preventivare

Descrizione

Dimensioni: Foro: 60 mm Diametro: 139,7 mm Spessore: 31 mm Peso: 1,7376 kg


Dettagli

  • EAN-Code : 07316577741974
  • Taric number : 84821090

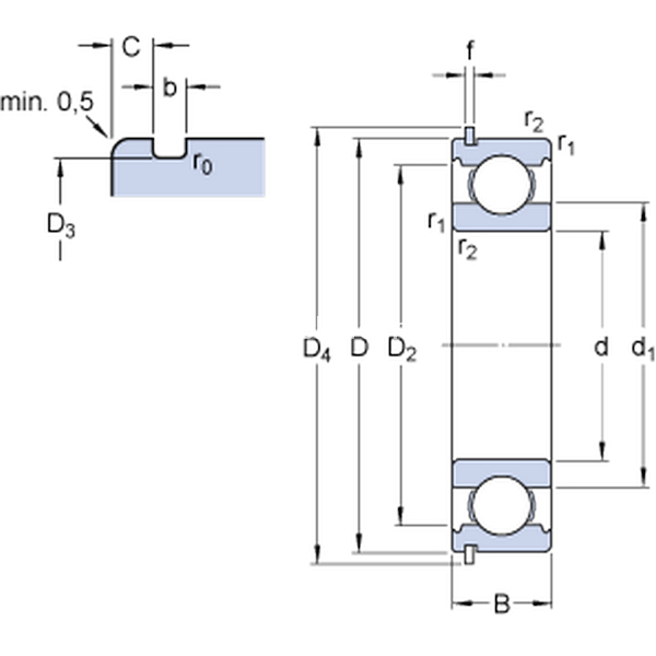
Dimensioni
d 60mm
D 130mm
B 31mm
d181.86mm
D2112.2mm
D3 125.22mm
D4 139.7mm
b 3.1mm
C 4.06mm
f 2.82mm
r0max.0.6mm
r1,2min.2.1mm
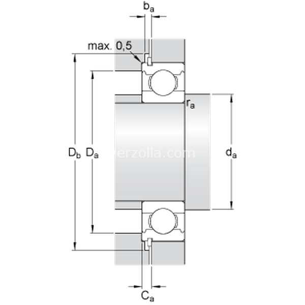
Dimensioni Dello Spallamento
damin.72mm
Damax.118mm
Dbmin.141mm
bamin.3.5mm
Camax.6.88mm
ramax.2mm
Dati Di Calcolo
Coefficiente di carico dinamicoC 85.2kN
Coefficiente di carico statico di baseC0 52kN
Carico limite di faticaPu 2.2kN
Velocità di riferimento  11000r/min
Velocità limite  7000r/min
Fattore di calcolokr 0.03 
Fattore di calcolof0 13 
Massa
Massa cuscinetto  1.76kg
Prodotti Appropriati
Anello di ancoraggio  SP 130