Non ci sono articoli nel tuo carrello
Prodotti
SCHEDA ARTICOLO

6313-RS1

CUSCINETTO
Codice: 00691
Disponibilità: Disp. limitata
Disponibilità: 1 disponibile
Marca: SKF
Unità di misura: NR
Quantitativi ammessi: multipli di 1X
Da preventivare

Descrizione

Dimensioni: Foro: 65 mm Diametro: 140 mm Spessore: 33 mm Peso: 2,0597 kg


Dettagli

  • EAN-Code : 07316570169522
  • Taric number : 84821090

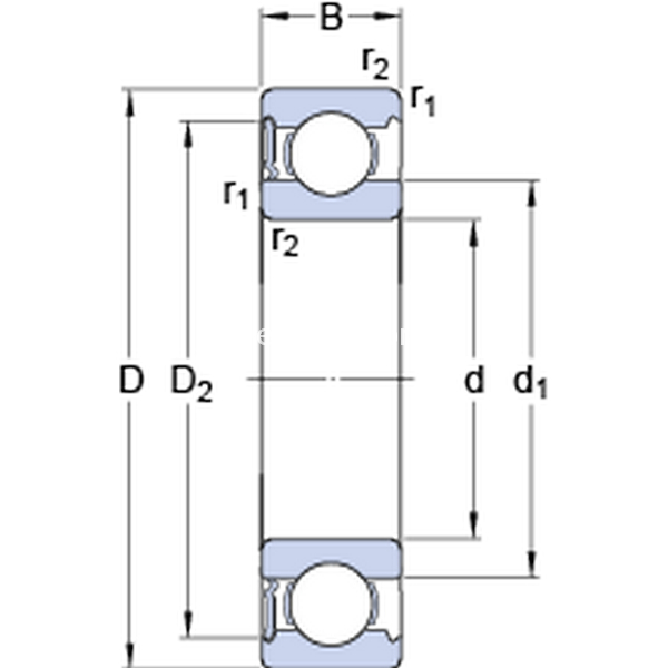
Dimensioni
d 65mm
D 140mm
B 33mm
d188.35mm
D2121.3mm
r1,2min.2.1mm
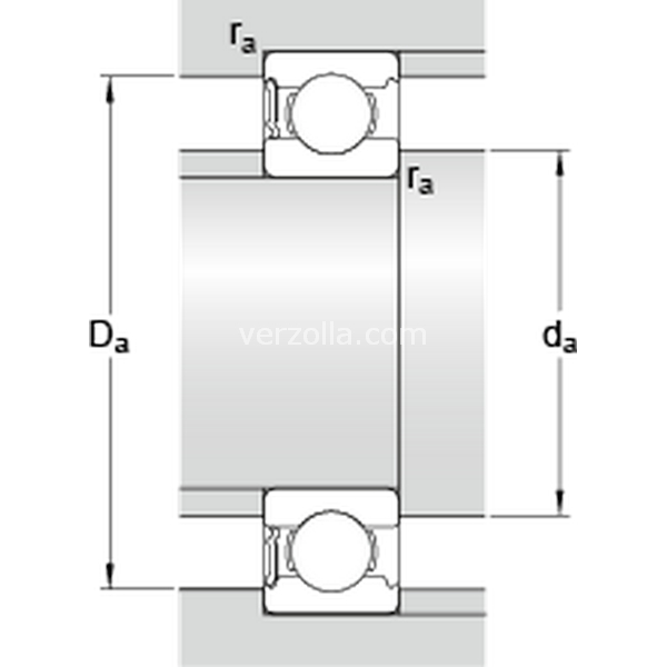
Dimensioni Dello Spallamento
damin.77mm
damax.88.3mm
Damax.128mm
ramax.2mm
Dati Di Calcolo
Coefficiente di carico dinamicoC 97.5kN
Coefficiente di carico statico di baseC0 60kN
Carico limite di faticaPu 2.5kN
Velocità limite  3200r/min
Fattore di calcolokr 0.03 
Fattore di calcolof0 13.2 
Massa
Massa cuscinetto  2.12kg