Non ci sono articoli nel tuo carrello
Prodotti
SCHEDA ARTICOLO

6314-2Z

CUSCINETTO
Codice: 00695
Disponibilità: disponibile
Disponibilità: 108 disponibile
Marca: SKF
Unità di misura: NR
Quantitativi ammessi: multipli di 1X
€88,80

Descrizione

Dimensioni: Foro: 70 mm Diametro: 150 mm Spessore: 35 mm Peso: 2,5821 kg


Dettagli

  • EAN-Code : 07316577099914
  • Taric number : 84821090

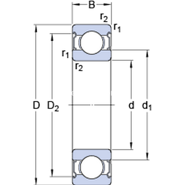
Dimensioni
d 70mm
D 150mm
B 35mm
d194.95mm
D2129.9mm
r1,2min.2.1mm
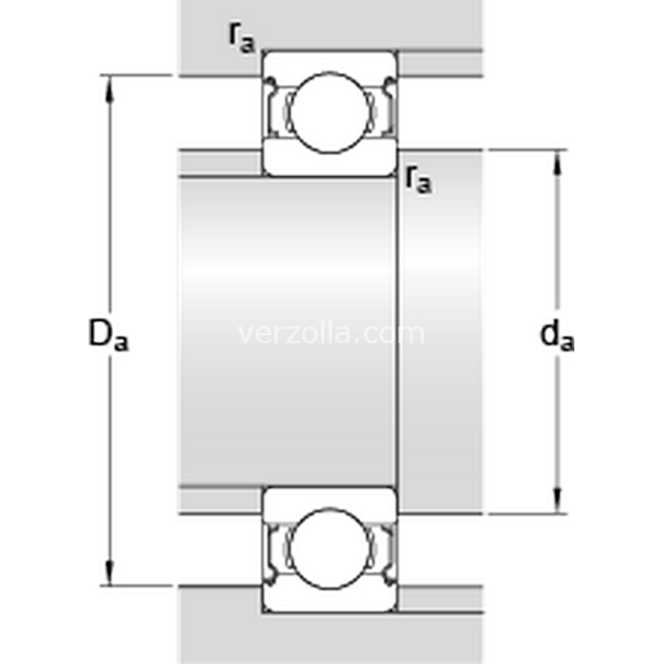
Dimensioni Dello Spallamento
damin.82mm
damax.94.9mm
Damax.138mm
ramax.2mm
Dati Di Calcolo
Coefficiente di carico dinamicoC 111kN
Coefficiente di carico statico di baseC0 68kN
Carico limite di faticaPu 2.75kN
Velocità di riferimento  9500r/min
Velocità limite  5000r/min
Fattore di calcolokr 0.03 
Fattore di calcolof0 13.2 
Massa
Massa cuscinetto  2.65kg