Non ci sono articoli nel tuo carrello
Prodotti
SCHEDA ARTICOLO

6314-2Z/VA208

CUSCINETTO
Codice: F5763
Disponibilità: Non disponibile
Disponibilità: Disponibile
Marca: SKF
Unità di misura: NR
Quantitativi ammessi: multipli di 1X
Da preventivare

Descrizione

Dimensioni: Foro: 70 mm Diametro: 150 mm Spessore: 35 mm Peso: 2,546 kg


Dettagli

  • EAN-Code : 07316570878646
  • Taric number : 84821090

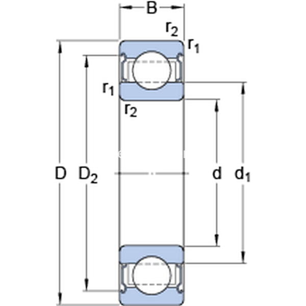
Dimensioni
d 70mm
D 150mm
B 35mm
d194.95mm
D2129.9mm
r1,2min.2.1mm
Dimensioni Dello Spallamento
damin.82mm
damax.94.9mm
Damax.138mm
ramax.2mm
Dati Di Calcolo
Coefficiente di carico dinamicoC 111kN
Coefficiente di carico statico di baseC0 68kN
Velocità limite  40r/min
Calculation Data
Limiting temperatureTmax.350°C
Massa
Massa cuscinetto  2.65kg