Non ci sono articoli nel tuo carrello
Prodotti
SCHEDA ARTICOLO

6314 NR/C3

CUSCINETTO
Codice: 43014
Disponibilità: Non disponibile
Disponibilità: Disponibile
Marca: SKF
Unità di misura: NR
Quantitativi ammessi: multipli di 1X
Da preventivare

Descrizione

Dimensioni: Foro: 70 mm Diametro: 159,7 mm Spessore: 35 mm Peso: 2,5406 kg


Dettagli

  • EAN-Code : 07316577099259
  • Taric number : 84821090

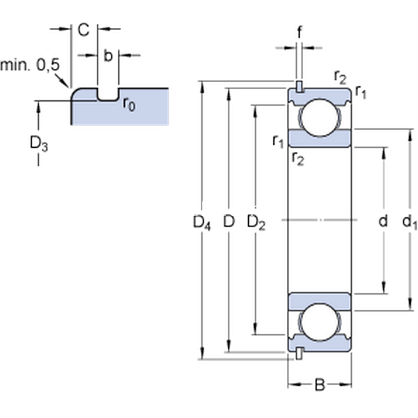
Dimensioni
d 70mm
D 150mm
B 35mm
d194.95mm
D2129.9mm
D3 145.25mm
D4 159.7mm
b 3.1mm
C 4.9mm
f 2.82mm
r0max.0.6mm
r1,2min.2.1mm
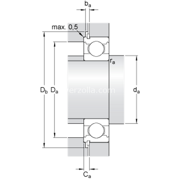
Dimensioni Dello Spallamento
damin.82mm
Damax.138mm
Dbmin.162mm
bamin.3.5mm
Camax.7.72mm
ramax.2mm
Dati Di Calcolo
Coefficiente di carico dinamicoC 111kN
Coefficiente di carico statico di baseC0 68kN
Carico limite di faticaPu 2.75kN
Velocità di riferimento  9500r/min
Velocità limite  6300r/min
Fattore di calcolokr 0.03 
Fattore di calcolof0 13.2 
Massa
Massa cuscinetto  2.6kg
Prodotti Appropriati
Anello di ancoraggio  SP 150