Non ci sono articoli nel tuo carrello
Prodotti
SCHEDA ARTICOLO

6315-2Z

CUSCINETTO
Codice: 00700
Disponibilità: disponibile
Disponibilità: 26 disponibile
Marca: SKF
Unità di misura: NR
Quantitativi ammessi: multipli di 1X
€107,88

Descrizione

Dimensioni: Foro: 75 mm Diametro: 160 mm Spessore: 37 mm Peso: 3,1034 kg


Dettagli

  • EAN-Code : 07316577297907
  • Taric number : 84821090

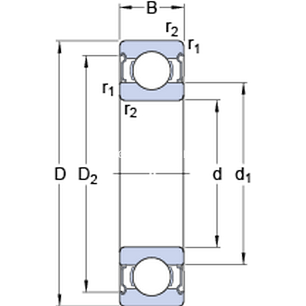
Dimensioni
d 75mm
D 160mm
B 37mm
d1101.4mm
D2138.4mm
r1,2min.2.1mm
Dimensioni Dello Spallamento
damin.87mm
damax.100.9mm
Damax.148mm
ramax.2mm
Dati Di Calcolo
Coefficiente di carico dinamicoC 119kN
Coefficiente di carico statico di baseC0 76.5kN
Carico limite di faticaPu 3kN
Velocità di riferimento  9000r/min
Velocità limite  4500r/min
Fattore di calcolokr 0.03 
Fattore di calcolof0 13.2 
Massa
Massa cuscinetto  3.17kg