Non ci sono articoli nel tuo carrello
Prodotti
SCHEDA ARTICOLO

6316-2RS1/C3

CUSCINETTO
Codice: 77322
Disponibilità: disponibile
Disponibilità: 35 disponibile
Marca: SKF
Unità di misura: NR
Quantitativi ammessi: multipli di 1X
€139,30

Descrizione

Dimensioni: Foro: 80 mm Diametro: 170 mm Spessore: 39 mm Peso: 3,6386 kg


Dettagli

  • EAN-Code : 07316577099266
  • Taric number : 84821090

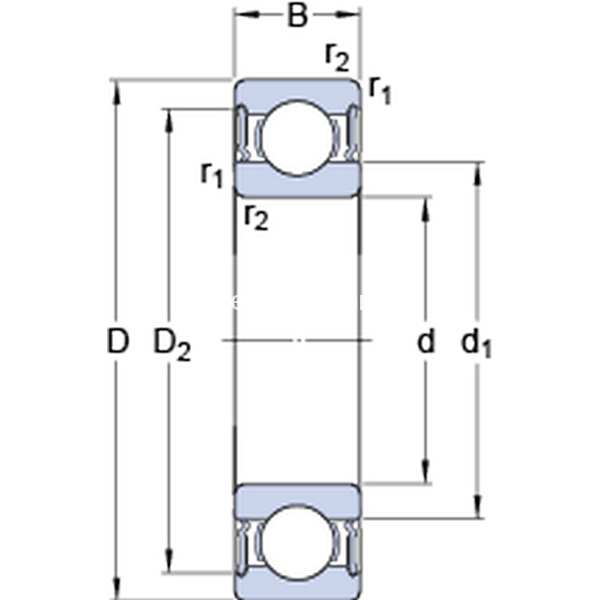
Dimensioni
d 80mm
D 170mm
B 39mm
d1108mm
D2146.9mm
r1,2min.2.1mm
Dimensioni Dello Spallamento
damin.92mm
damax.107.9mm
Damax.158mm
ramax.2mm
Dati Di Calcolo
Coefficiente di carico dinamicoC 130kN
Coefficiente di carico statico di baseC0 86.5kN
Carico limite di faticaPu 3.25kN
Velocità limite  2600r/min
Fattore di calcolokr 0.03 
Fattore di calcolof0 13.3 
Massa
Massa cuscinetto  3.7kg